Two Games to fit into a single ATTiny85 at the same time.

Channel:
Subscribers:
4,250
Published on ● Video Link: https://www.youtube.com/watch?v=eVWaAz6wkys



Duration: 4:50
543 views
17


Modified to allow two games to fit into a single ATTiny85 at the same time.
if you enjoyed those videos, then please subscribe to my channel which I update every week
👉 Subscribers : https://bit.ly/2EpEwrU

====================
* - Additional features: *
====================
* - To play UFO - press and release left button
* - To play Breakout - with the right button held, press and release
left button
* - To turn sound on and off - press and HOLD left button
* - To reset high scores to zero - whilst HOLDING the right button,
press and HOLD the left button

=============
= ATTinyCore =
=============
https://github.com/TCWORLD/ATTinyCore/tree/master/PCREL%20Patch%20for%20GCC
======================================
SSD1306 library courtesy of Tinusaur:
https://bitbucket.org/tinusaur/ssd1306xled
======================================
==============
= Source code =
==============
https://github.com/andyhighnumber/Attiny-Arduino-Games/tree/master/UFO_Breakout_Arduino

============
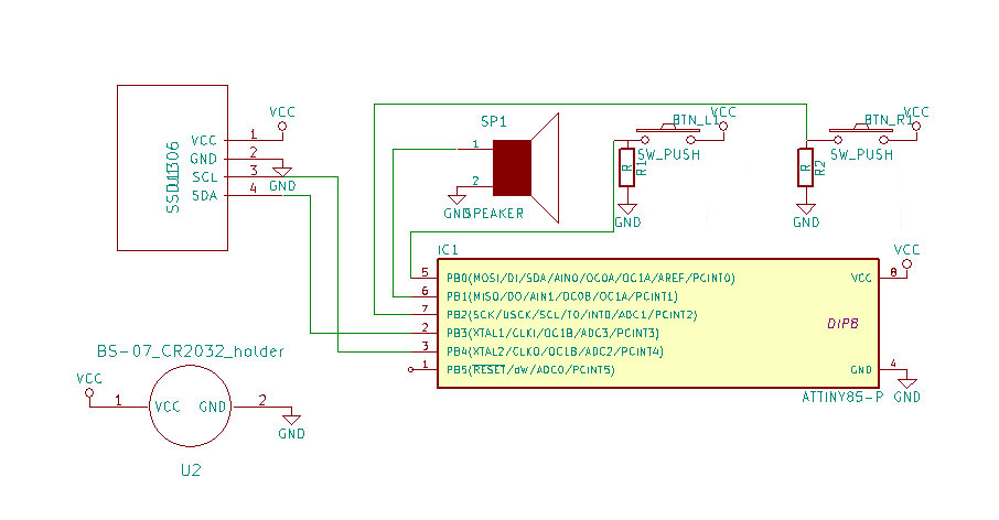
= schematic =
============
https://raw.githubusercontent.com/webboggles/AttinyArcade/master/documentation/attiny_arcade_original_schematic.jpg

------------------------------------------------------------------------
About Social Media, Business, and Blogging
------------------------------------------------------------------------

https://www.youtube.com/djamaluk
https://www.facebook.com/Djamal.UK
https://twitter.com/DjamalUK
https://Djamal.UK


Code and Schematic OR Any Questions Please let me know in the comment section below

Thank you everyone for stopping by my youtube channel I would love to hear from you, so leave a comment to let me know you were here!




Other Videos By Djamal.Uk


2020-05-15DIY Internet Radio using an ESP32 / Color LCD Display / IR Remote [Update] Part 2
2020-05-12ESP32 Internet Radio Player | Espressif Systems
2020-05-11ESP32 Music MOD Player from SD Card with "Skip Next" button and OLED display
2020-05-09ESP8266 Enigma.mod Player sample from the mod archive: https://modarchive.org
2020-05-07Very simple Internet Radio Build with ESP8266 Based dev board (Nodemcu)
2020-05-02ATtiny85 - based Chiptune Player 1-Bit Music「Part 2」
2020-04-29ATtiny85 - based Chiptune Player 1-Bit Music「Part 1」
2020-04-27Retro computer in a chip. Using the STM32F103C (ARM® 32-bit Cortex®-M3 )
2020-04-26[TEST] AMTLib with Evade Game on My homemade Arduboy
2020-04-24Breakout ("Arkanoid") game on an ATtiny85 Arduino and I2C OLED display
2020-04-19Two Games to fit into a single ATTiny85 at the same time.
2020-04-17Arduboy Clone with Arduino UNO and I2C OLED display
2020-04-16Program an ATtiny85 Games without a computer OR Arduino using only mobile phone (Part3)
2020-04-14「 ATTINY85 」 Self-Programming , Tiny Games without an arduino - Virtual USB (Part 2)
2020-04-14Programming an「 ATTINY85 」Games without an arduino - Virtual USB (Part 1)
2020-04-12Space Invaders: Blast from the past that still inspires 「 ATTINY85 」 Arduino - NO Soldering Required
2020-04-11The Sokoban game running on Arduino using 128x64 oled display
2020-04-10DIY Hackvision Arduino Asteroids TV Game
2020-04-09Space Invaders 1978 - Arduino Gameplay Clone
2020-04-06Hat Trick (1987) [Atari 7800] ATtiny85 - based Game Console
2020-04-05Arduino TETRIS | The addictive puzzle video game



Tags:
Attiny
Attiny85
Arduino
game
console
handheld
DIT
AVR
Atmega
Atmel
homemade